25T Series
YDS
10 Base-T Isolated electronic Transformer
Designed to meet or exceed IEEE 802.3,10 Base-T specifications.
Surface mount , IC grade, transfer-molded package withstands 235°C peak temperature profile.
Recognized by UL 1950.
| Part Number | Tums Ratio (±5%) | Primary Pins | Sine Wave Inductance OCL’ (µH Min) | Interwinding Capacitance CWW’ (pF Max) | |
|---|---|---|---|---|---|
| Transmit | Receive | ||||
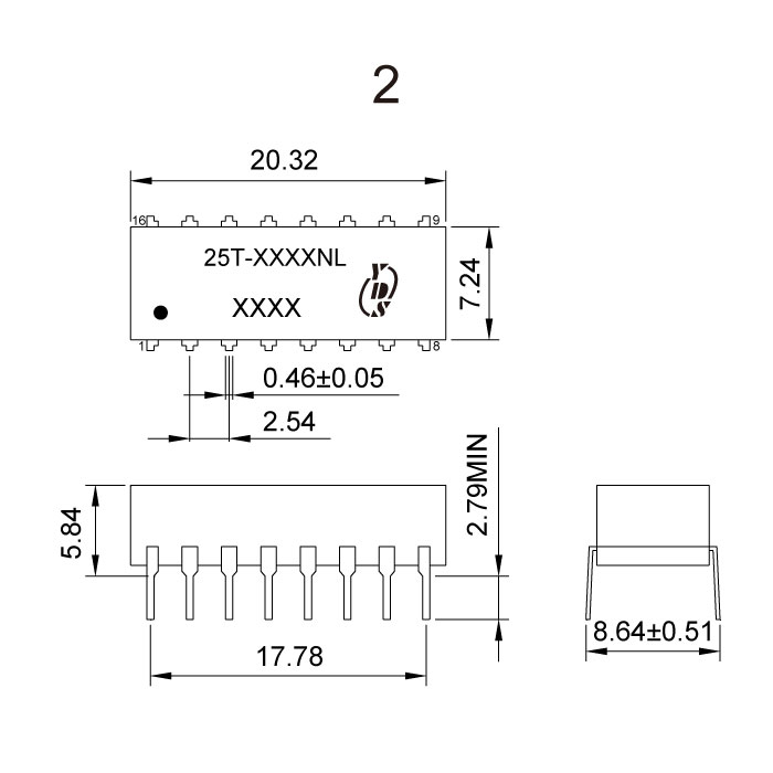
| 25T-2012C2NL | 1CT:1CT | 1CT:1CT | 1-3/6-8 | 200 | 15 |
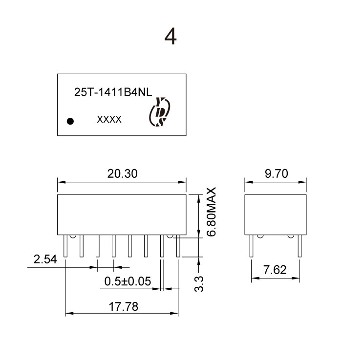
| 25T-1411B4NL | 1:1 | 1:1 | 1-2/3-4/5-6/7-8/ | 140 | 17 |
| Part Number | Leakage Inductance LL’ (µH Max) | DCR (ΩMax) | HI-Pot (Vrms) | Schem. | mech. |
|---|---|---|---|---|---|
| 25T-2012C2NL | 0.3 | 0.7 | 1500 | C | 2 |
| 25T-1411B4NL | 0.6 | 0.5 | 600 | B | 4 |
25T-Series.pdf
10 Base-T Isolated electronic Transformer
Designed to meet or exceed IEEE 802.3,10 Base-T specifications.
Surface mount , IC grade, transfer-molded package withstands 235°C peak temperature profile.
Recognized by UL 1950.
| Part Number | Tums Ratio (±5%) | Primary Pins | Sine Wave Inductance OCL’ (µH Min) | Interwinding Capacitance CWW’ (pF Max) | |
|---|---|---|---|---|---|
| Transmit | Receive | ||||
| 25T-2012C2NL | 1CT:1CT | 1CT:1CT | 1-3/6-8 | 200 | 15 |
| 25T-1411B4NL | 1:1 | 1:1 | 1-2/3-4/5-6/7-8/ | 140 | 17 |
| Part Number | Leakage Inductance LL’ (µH Max) | DCR (ΩMax) | HI-Pot (Vrms) | Schem. | mech. |
|---|---|---|---|---|---|
| 25T-2012C2NL | 0.3 | 0.7 | 1500 | C | 2 |
| 25T-1411B4NL | 0.6 | 0.5 | 600 | B | 4 |
25T-Series.pdf